本数据集包括用于防流冰撞击的闭孔泡沫铝夹芯结构室内低速冲击试验数据和黑河-布拉戈维申斯克黑龙江(阿穆尔河)大桥6号桥墩和7号桥墩结构响应现场试验数据。
室内试验数据的采集时间为2019年5月1日。所使用的仪器设备为落锤试验机,试验机的冲击锤头为半球形,直径为50mm,重量为230kg,刚性支撑板的内、外径分别为100mm 和 240mm。在试验前,通过计算机自动控制技术将冲击锤头升至预定的下落高度。试验中,冲击锤头自由下落撞击试件的中心区域。通过调整冲击锤头的预设高度来获得初始冲击能量或速度。
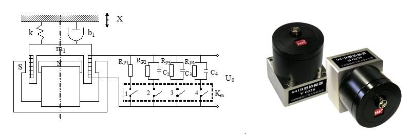
现场试验数据的采集时间为2021年4月20日至2021年4月27日。本数据采集的时间精度为0.01秒。空间范围涉及两个试验桥墩。由于不涉及三维空间坐标,因此不考虑此空间精度。其中拾振器采用中国地震局工程力学研究所941B型超低频测振仪。941B型拾振器属于动圈往复式拾振器。拾振器原理如图2所示,当微型拨动开关的开关1接通(ON)时,电阻RPl的阻值较小,故阻尼常数D≥1,拾振器的运动部分构成速度摆,即摆的位移与地面运动的速度成正比,拾振器构成加速度计,它的输出电压与地面运动的加速度成正比。
| 采集时间 | 2019/05/01 - 2021/04/27 |
|---|---|
| 采集地点 | 黑龙江阿穆尔河 |
| 数据量 | 919.1 KiB |
| 数据格式 | excel,txt |
| 数据时间分辨率 | 秒 |
| 坐标系 |
室内试验数据内容涉及到落锤冲击的时间和结构动力响应的采集数据。现场试验数据共有8天的数据,内容涉及到桥墩结构的速度和加速度响应数据。
落锤试验机和拾振器测量得到。
数据质量良好。
| # | 编号 | 名称 | 类型 |
| 1 | 2018YFC0809600 | 涉水重大基础设施安全保障技术研究与工程示范 | 国家重点研发计划 |
本作品采用
知识共享署名
4.0 国际许可协议进行许可。
| # | 标题 | 文件大小 |
|---|---|---|
| 1 | _ncdc_meta_.json | 4.7 KiB |
| 2 | 数据集说明文件.docx | 919.1 KiB |
©2024 中国科学院西北生态环境资源研究院 备案号:陇ICP备2021001824号-34
兰州市东岗西路320号 730000 电话:0931-4967592, 0931-4967596